芯片资讯
- 发布日期:2024-11-25 06:32 点击次数:158 数据采集系统(DAQ)在许多行业应用普遍,例如研讨、剖析、设计考证、制造和测试等。这些系统与各种传感器接口,从而给前端设计带来应战。必需思索不同传感器的灵活度,例如,系统可能需求衔接最大输出为10mV和灵活度为微伏以下的负载传感器,同时还要衔接针对10V输出而预调理的传感器。只要一个增益时,系统需求具有十分高的分辨率来检测两个输入。即使如此,在最低输入时信噪比(SNR)也会受影响。
在这些应用中,可编程增益仪表放大器(PGIA)是合适前端的处理计划,可顺应各种传感器接口的灵活度,同时优化SNR。集成PGIA可完成良好的直流和交流规格。本文讨论各种集成PGIA及其优势。文中还会讨论相关限制,以及为满足特定请求而构建分立PGIA时应遵照的指导准绳。
集成PGIA
ADI的产品系列中有许多集成PGIA。集成PGIA具有设计时间更短、尺寸更小的优势。数字可调增益经过内部精细电阻阵列完成。为了优化增益、CMRR和失调,能够对这些电阻阵列停止片内调整,从而取得良好的整体直流性能。还能够运用设计技巧来完成紧凑的IC规划,使寄生效应最小,并提供出色的匹配,产生良好的交流性能。由于这些优点,假如有契合设计请求的PGIA,激烈倡议选择这样的器件。表1列出了可用的集成PGIA以及一些关键规格。

表1. 可编程增益仪表放大器规格
PGIA的选择取决于应用。AD825x由于具有快速树立时间和高压摆率,在多路复用系统中十分有用。AD8231和LTC6915采用零漂移架构,适用于需求在很宽温度范围内提供精度性能的系统。
还有许多器件集成多路复用器、PGIA和ADC以构成完好的DAQ处理计划。实例有ADAS3022,ADAS3023和AD7124-8.
.jpg)
表2. DAQ系统规格
这些处理计划的选择主要取决于输入信号源的规格。AD7124-8针对需求极高精度的慢速应用而设计,例如温度和压力丈量。ADAS3022和ADAS3023适用于相对较高带宽的应用,例如过程控制或电力线监控,但其功耗高于AD7124-8。
实现分立PGIA
一些系统可能有一两个规格是上述集成器件无法满足的。通常,若存在以下要求,则用户需要利用分立器件构建自己的PGIA:
需要更高带宽的多路复用系统,扫描速率非常高
超低功耗
系统需要定制的增益或衰减
高阻抗传感器的低输入偏置电流
极低噪声
设计分立PGIA常用的办法之一是运用具有所需输入特性的仪表放大器,例如低噪声AD8421,并搭配一个多路复用器来切换增益电阻以改动增益。
.jpg)
图1. AD8421和用于切换增益的多路复用器
在这种配置中,多路复用器的导通电阻实践上与增益电阻串联。该导通电阻随漏极上的电压而改动,这就带来一个问题。图2取自ADG1208数据手册,展现了这种关系。
.jpg)
图2. ADG1208的导通电阻与漏极电压的关系
导通电阻和增益电阻的串联组合招致增益呈现非线性误差。这意味着增益将随共模电压而变化,这是很不好的。例如,AD8421需求1.1kΩ的增益电阻以取得10倍增益。关于ADG1208,当源极或漏极电压改动±15V时,导通电阻变化幅度高达40Ω,由此产生的增益非线性误差约为3%。若增益更大,该误差将变得愈加明显,导通电阻以至可能变得与增益电阻相当。
或者,能够运用低导通电阻的多路复用器来降低这种影响,但相应的代价是输入电容会更高。表3经过比拟ADG1208和ADG1408阐明了这一点。
.jpg)
表3. 多路复用器中导通电阻与电容的权衡
开关的输入电容会招致图1所示配置产生另一个问题,由于任何给定三引脚运放仪表放大器上的RG引脚都对电容十分敏感。开关电容可能招致该电路呈现峰化或不稳定。更大的问题是RG引脚上的电容不均衡招致交流共模抑止比(CMRR)降低,而CMRR是仪表放大器的一项关键规格。图3中的仿真图显现了AD8421的增益引脚上运用不同多路复用器时CMRR的降低状况。该图分明地标明,随着电容的增加,CMRR降幅更大。

图3. 运用不同开关得到的仿真CMRR
为了减小交流CMRR降幅,最好的处理计划是确保RG引脚具有相同的阻抗。这能够经过均衡电阻并将开关元件放置在两个电阻之间来完成,如图4所示。在这种状况下,由于开关两端固有的电容不均衡,多路复用器不起作用。此外,由于多路复用器的漏极短接在一同,RG引脚的一侧只能运用一个电阻,这依然会招致不均衡。
.jpg)
图4. 运用均衡配置的分立PGIA
在这种状况下,倡议运用四通道SPST开关,例如ADG5412F。除了开关支持灵敏地运用均衡电阻之外,漏极和源极的电容也是均衡的,CMRR降幅因而减小。图5比拟了AD8421的增益引脚上运用多路复用器与运用四通道SPST开关两种状况下的交流CMRR。
.jpg)
图5. SPST开关与多路复用器配置两种状况下的CMRR仿真
ADG5412F还具有低导通电阻特性,其在漏极或源极电压范围内十分平整,如图6所示。在漏极或源极电压范围内,其额定最大值为1.1Ω。回到最初的例子, 电子元器件采购网 AD8421的增益为10,增益电阻为1.1kΩ,开关只会引入0.1%的增益非线性。虽然如此,仍有一个漂移重量,其在更高增益时会愈加明显。
.jpg)
图6. ADG5412F的导通电阻与共模电压的关系
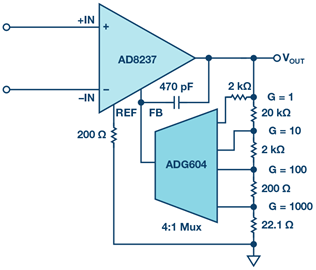
为了消弭开关的寄生电阻效应,能够运用不同架构的仪表放大器来完成恣意增益。AD8420和AD8237采用间接电流反应(ICF)架构,是请求低功耗和低带宽的应用的出色选择。在这种配置中,开关置于高阻抗检测途径中,因而增益不受开关导通电阻变化的影响。
.jpg)
图7. 采用间接电流反应的仪表放大器的分立PGIA
这些放大器的增益是经过外部电阻的比率来设置的,设置方式与同相放大器相同。这就为用户提供了更大的灵敏性,由于增益设置电阻能够依据设计请求来选择。规范薄膜或金属膜电阻的温度系数可低至15ppm/°C,相应的增益漂移要比运用单个外部电阻设置增益的规范仪表放大器更好,后者的片内和外部电阻之间的不匹配通常会将增益漂移限制在50ppm/°C左右。为取得最佳增益误差和漂移性能,能够运用电阻网络停止容差和温度系数跟踪。不过,这要以牺牲本钱为代价,因而除非确有需求,否则应优先选择分立电阻。
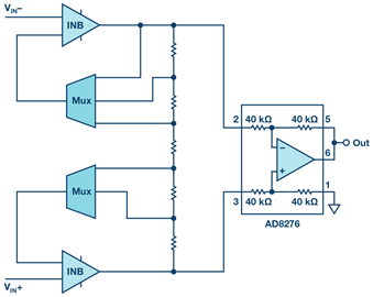
另一种处理计划,也是提供最大灵敏性的处理计划,是采用分立元件的三运放仪表放大器架构,如图8所示,经过多路复用器切换增益电阻。与仪表放大器相比,运算放大器可供选择的范围要大得多,因而设计人员有更多选择,这使他们可以盘绕特定设计请求停止设计。滤波等特殊功用也能够内建于第一级中。第二级的差动放大器完善了这种架构。
.jpg)
图8. 分立PGIA
输入放大器的选择直接取决于DAQ请求。例如,低功耗设计需求运用低静态电流的放大器,而预期输入端会有高阻抗传感器的系统能够应用超低偏置电流的放大器来最大限度地减少误差。应运用双放大器以更好地跟踪温度。
能够留意到,当运用图8所示配置时,开关的导通电阻也与放大器的高阻抗输入串联,因而它不会影响增益。回忆导通电阻与开关输入电容之间的权衡,由于对导通电阻的限制不复存在,所以设计能够选择低输入电容开关,例如ADG1209。这样,不稳定性和交流CMRR降低得以防止。
与之前的设计一样,增益精度和漂移将由电阻决议。能够选择具有恰当容差和漂移,契合应用设计请求的分立电阻。同样,运用电阻网络能够完成更高的精度、更好的容差和温度跟踪,不过本钱会增加。
三运放仪表放大器的第二级担任抑止共模电压。此级倡议运用集成电阻网络的差动放大器,以确保CMRR最佳。关于单端输出和相对低带宽的应用,AD8276是一个不错的选择。假如需求差分输出和更高带宽,能够运用AD8476。第二级的另一个选择是运用。第二级的另一个选择是运用LT5400作为规范放大器四周的增益设置电阻。这可能会占用更多的电路板空间,但另一方面又给放大器的选择提供了更大的灵敏性,用户能够盘绕特定设计请求停止更多设计。
应当留意的是,分立PGIA的规划需求当心。电路板规划的任何不均衡都会招致CMRR随频率而降低。
下表总结了每种办法的优缺陷:
.jpg)
分立PGIA设计示例
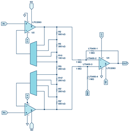
图9给出了一个针对特定设计规格而构建的分立PGIA示例。在这种设计中,所构建的PGIA应具有十分低的功耗。输入缓冲器选择LTC2063,其电源电流很低,最大值为2μA。开关元件选择ADG659,其电源电流很低,最大值为1μA,输入电容也很低。
选择电路中的无源元件时也需求留意,须满足低功耗请求。无源器件选择不当会招致电流耗费增大,抵消运用低功耗元件的作用。在这种状况下,增益电阻需求足够大,以免耗费太多电流。所选电阻值(用来提供1、2、5和10的增益)如图9所示。
.jpg)
图9. 低功耗PGIA设计
关于第二级差动放大器,LTC2063与LT5400四通道匹配电阻网络(1MΩ选项)一同运用。这确保了电流耗费最低,并且电阻的准确匹配维护了CMRR性能。
该电路采用5V电源供电,并运用不同的共模电压、差分输入电压和增益停止了评价。在基准电压和输入坚持在中间电源电压的最佳条件下,电路仅耗费4.8μA的电流。
差分输入变化时估计电流会有一定的增加,缘由是电流会流过增益电阻,电流值等于|VOUT –VREF|/(2MΩ
- 数字滤波器设计:从理论到实践的关键步骤2025-09-27
- 中国 Chiplet 芯粒产业全景整理:设计公司、封装专利、技术工艺及相关企业2025-08-28
- 电子电路元器件套装与原理图解析:芯片分销商模式如何赋能电子设计2025-05-06
- 单片机与串行AD转换器TLC0834的接口设计2024-11-23
- 如何利用零漂移放大器实现高精度系统设计?2024-11-17
- 晶振的EMC设计及注意事项介绍2024-10-13
